首页
关于我们
产品中心
典型案例
荣誉证书
服务中心
新闻中心
在线留言
联系我们
视频中心
企业形象
首页
返回
产品中心
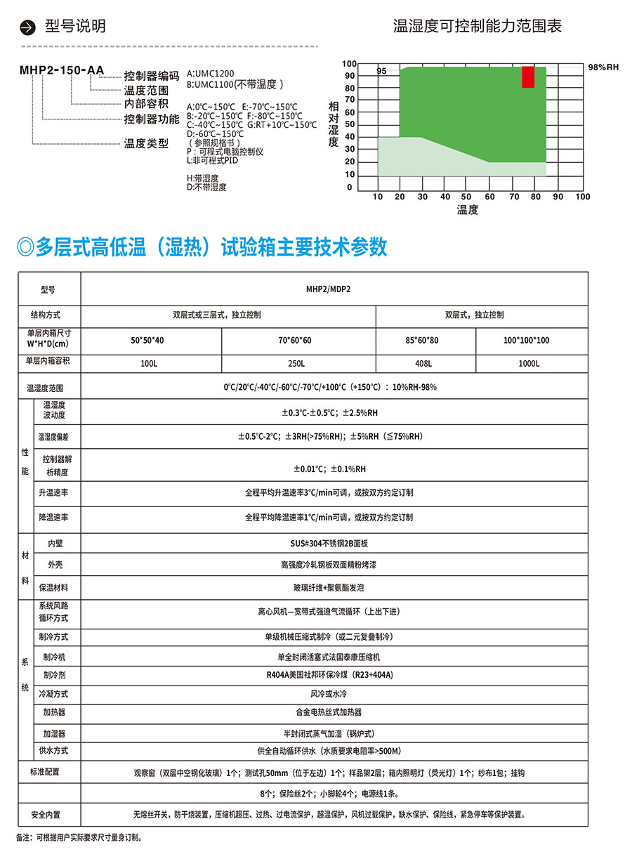
多层式高低温(湿热)试验箱
信息详细
上一页:
高低温(湿热)试验箱
下一页:
快速温变(湿热)试验箱
电话:
18688681636
邮件
地图
分享
留言
广东美泰科检测设备有限公司 版权所有 © Copyright 2017
环境试验箱设备
高低温(湿热)试验箱MHP/MDP系列
多层式高低温(湿热)试验箱MHP2/MDP2系列
快速温度变化(湿热)试验箱MESS系列
冷热冲击试验箱MTS系列(三箱式)
步入式高低温(湿热)试验箱MHPW系列
三综合试验箱(振动/温度/湿度)MVTH系列
高低温低气压试验箱MVT系列
沙尘试验箱MSDT系列
防水试验箱MSRT系列
氙灯老化试验箱MSUN系列
紫外老化试验箱MUV系列
高温试验箱MHG系列
盐雾试验箱MHY系列
汽车综合环境实验仓
锂电新能源安全试验设备
电芯及扣式电池安全试验设备
电动汽车用锂子动力蓄电池包安全检测设备
锂电真空干燥箱系列
力学试验设备及其他
振动台
力学试验设备及其他
甲醛/VOC挥发性气体检测箱
冷水机